Щековые дробилки главным образом используются для измельчения минералов и камней с компрессионной прочностью не выше 320 МПа. Щековые дробилки применяются для известняка, песчаника, сланца, гипса, угля и глины. Данное оборудование часто встречается в горнодобывающей, строительной, инженерной, химической и других индустриях.
| Модель | Размер отверстия для подачи сырья (мм) | Макс.размер подаваемого материала (мм) | Диапазон регулирования разгрузочного отверстия (мм) | Производительность (м3/ч) | Мощность двигателя (кВт) | Масса (без учета двигателя) (тн) |
| 500x750 | 425 | 50~100 | 28.5~62.5 | 55 | 10.3 | |
| 600×900 | 500 | 65~160 | 30~75 | 55 | 15.5 | |
| 800×1060 | 640 | 100~200 | 85~143 | 110 | 30 | |
| 900×1200 | 750 | 95~165 | 87~164 | 110 | 50 | |
| 1000×1200 | 850 | 195~265 | 197~214 | 110 | 50.6 | |
| 1200×1500 | 1000 | 150~300 | 250~500 | 220 | 82.3 | |
| 1500×1800 | 1200 | 220~350 | 281~625 | 280 | 122 | |
| 150×750 | 120 | 18~48 | 5~16 | 15 | 3.5 | |
| 250×1000 | 210 | 25~60 | 10~32 | 30 | 6.5 | |
| 250×1200 | 210 | 25~60 | 13~38 | 37 | 7.7 | |
| 300×1300 | 250 | 20~90 | 10~65 | 75 | 11.6 |
Примечание: фактическая производительность дробилки зависит от множества факторов - подаваемый материал (тип, размеры, способность к измельчению, содержание воды и т.д.), управление (эффективность подачи, распределение подачи), разгрузка и другие факторы. Список параметров может использоваться для справки (вычисления предполагаемой продуктивности и т.д.)
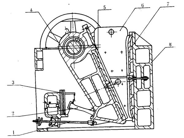
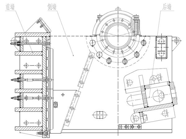
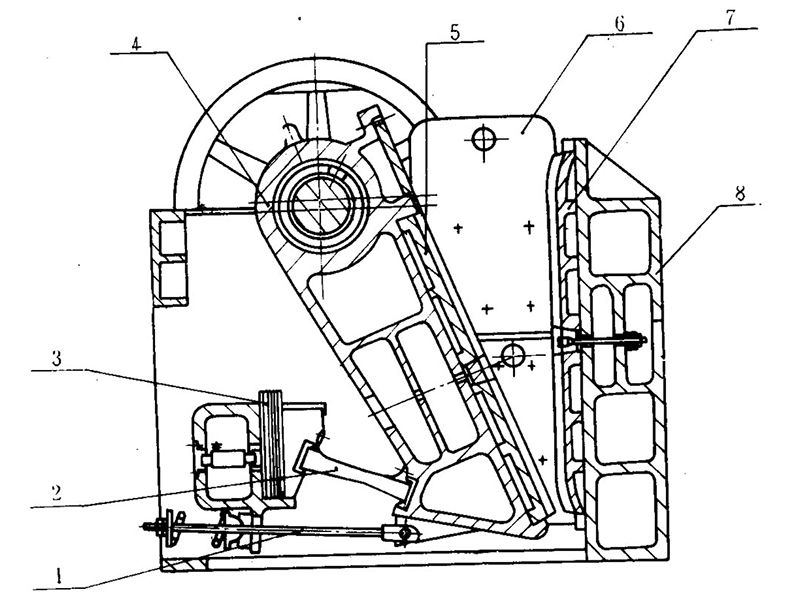
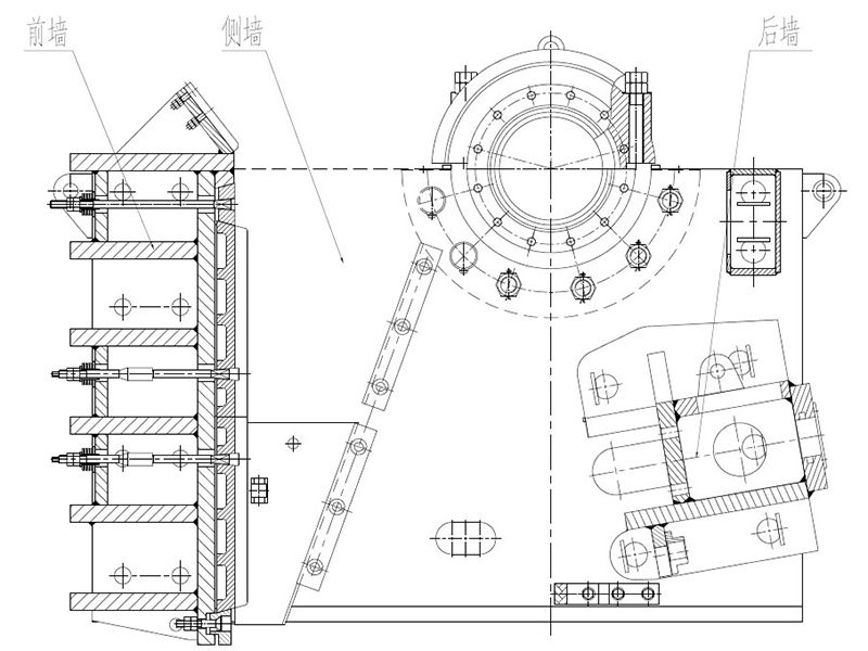
Щековая дробилка использует камеру дробления с углом захвата. Вращение кулачкового вала осуществляется двигателем через V-ленту, что позволяет шатуну двигаться в одной линии с шатуном, таким образом происходит дробление материала в камере, после чего разробленный материал транспортируется вниз для разгрузки.
Плита щековой дробилки
Плита щековой дробилки - ключевая часть для дробления камней, состоит из недовижной и повижной щек. Учитывая, что эта часть является быстроизнашиваемой, плита щековой дробилки изготовлена из высокомарганцовистой стали, что гарантирует более высокий уровень износостойкости и долгий срок службы. Также может быть укреплена процессом холодного отверждения.
SINOMALY - поставщик комплексных услуг по проектированию, закупкам и строительству (EPC контракт) в цементной промышленности, наши основные услуги включают консультации, оценку, планирование, инжиниринг, закупки, управление проектами, строительство, монтаж оборудования и пуско-наладочные работы.
Свяжитесь со специалистами SINOMALY, чтобы обсудить, как мы можем помочь вам в реализации ваших проектов от начала до конца.